电话:+86-531-88162926
Product Detail

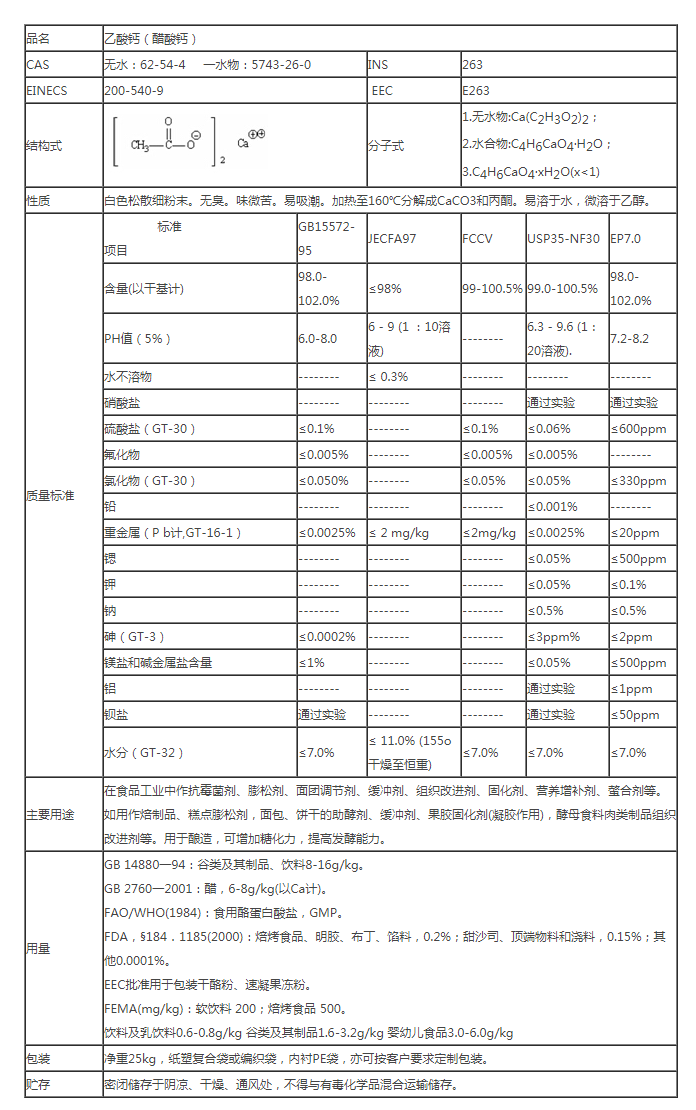
乙酸钙

No price
Collect
  • 商品说明

乙酸钙-1.png

济 南 格 润 贸 易 有 限 公 司

国际贸易部:(济南市历城区工业北路58号)

电话:  +86-531-88162926  传真:+86-531-88162926

手机: +86-18678818756(李经理)

E-mail:  zippychem08@hotmail.com

网址: www.zippychem.com




关注我们

Technical Support: 九云智能建站 | Admin Login
×
seo seo